Усилитель мощности на ГУ-19 диапазон 144 – 146 МГц.
Юрий Юкин RK4FX
Усилитель мощности на УКВ диапазон 144 – 146 МГц., предназначен для работы в режиме SSB и FM и его выходная мощность может составлять от 50 до 100 ватт в зависимости от применяемой радиолампы, питающих напряжений его корректной сборки и настройки.
Усилитель может работать как на 50 омную, так и на 75 омную нагрузку, для него это не является критичным в отличии от модульных У.М. расчитанных в основном только на 50 омную нагрузку.
УКВ усилители на 2 х, а особенно на 4 модулях представляют собой довольно сложную конструкцию для радиолюбителей не только в сборке , но и в подборе модулей , подгонке режимов и особенно в настройке.
Полной противоположностью сложным модульным усилителям которые не отличаются своей простотой , являются ламповые усилители. Как говорится все гениальное просто.
При изготовлении лампового усилителя не требуется больших знаний от радиолюбителя , материальных затрат и объемов радиодеталий на различные комплектующие элементы . Вся элементная база для У.М. является весьма оптимальной и не затратной.
Данный ламповый усилитель на тетроде обладает весьма повышенной надежностью в работе простотой в сборке и эксплуатации.
Усилитель мощности собран на довольно простой доступной многим радиолюбителям элементной базе радиодеталей .
Данное обстоятельство позволяет его многократно повторять без особых затруднений с распространенными комплектующими материалами при сборке и настройке радиолюбителями в основном со средней квалификацией , так и радиолюбителей имеющих незначительный опыт в сборке и настройке подобных конструкций .
В принципиальной схеме данного усилителя мощности на 2 х метровый диапазон не показан блок питания , так как радиолюбители имеющие определенный опыт в сборке Б.П. могут собрать его по любой доступной и удобной им схеме либо приобрести готовый блок питания.
Изготовленный У.М. при правильной сборке обычно начинает работать сразу при проведении при этом необходимых технологических настроек.
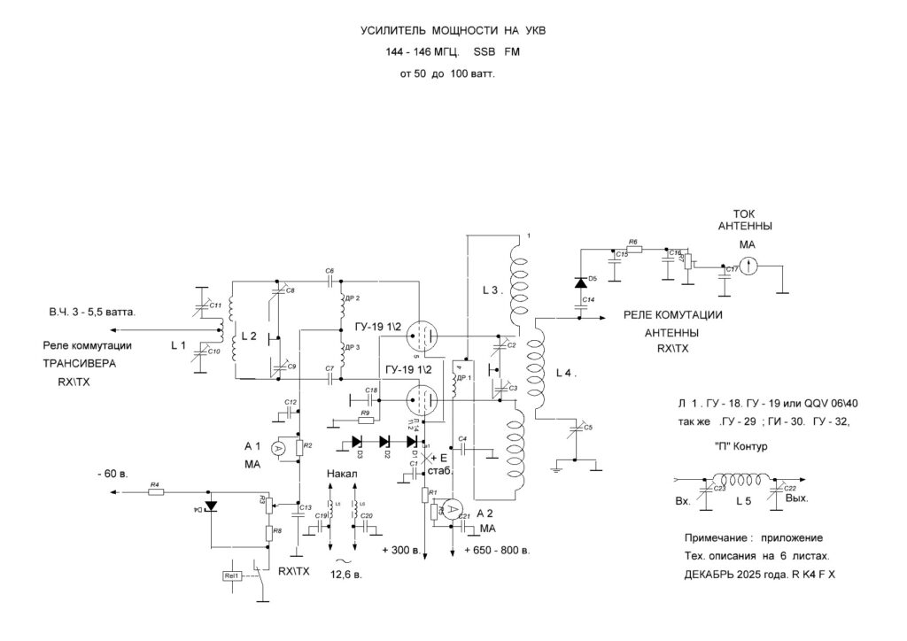
Усилитель мощности изготавливается по двухтактной схеме на любом из выбранных вами двойных СВЧ лучевых тетродах типа ГУ – 32, ГУ – 18, ГУ-19, ГУ-29, ГИ-30 , QQV 06\40, и т. д.
При изготовлении УКВ усилителя мощности следует учитывать что различные тетроды имеют несколько отличающиеся друг от друга характеристики и различную мощность рассеивания на аноде.
Данное обстоятельство в обязательном порядке необходимо учитывать при изготовлении усилителя мощности исходя из вашей необходимости работы в эфире дальности связи и используемых при этом приемо – передающих антенн.
Исходя из этого вам необходимо сделать и соответствующий выбор лучевого тетрода.
Для длительной и без отказной работы радиолампы усилителя мощности необходимо придерживаться следующего правила :
следует особо обратить внимание на питание напряжением накала тетрода, которое должно находится в значениях принятых для данного изделия .
При заниженном напряжения подогрева катода ,- последний будет отравляться за счет не полноценного его разогрева что приведет радиолампу к преждевременному износу и потери оптимальной колебательной мощности.
При повышенном напряжении накала выше значений указанных заводом – изготовителем будет происходить преждевременное истощение эмиссии радиолампы и чем не выше будет напряжение тем выше будет степень истощения радиолампой эмиссии.
Однако при этом уровень выходной мощности будет конечно несколько завышен за счет экстремального разогрева катода , что так же приведет к преждевременному старению и износу радиолампы.
Радиолампы могут располагаться как вертикально так и горизонтально ( однако желательно все же располагать вертикально что бы не было провисания сеток при работе радиолампы в достаточно напряженном режиме) .
В данной конструкции напряжение возбуждения с трансивера подается с противоположных концов симметричного сеточного контура со сдвигом на 180 градусов на двойной тетрод при этом в обязательном порядке требуется согласование входных элементов схемы и точная настройка индуктивно-емкостной составляющей.
В целях экранировки проводники накальных цепей лампы и сеточных цепей включая соединительные высокочастотные кабели на реле выполнены 50 омным коаксиальным кабелем.
Оба аноды лампы тетрода усилителя мощности подключены к симметричному выходному настроенного на рабочею частоту контуру .
В этой связи при работе на передачу при полной симметрии схемы токи первой и нечетных гармоник в нагрузке складываются, а токи четных гармоник взаимно компенсируются что весьма положительно сказывается как на работе самого усилителя так и на подавлении возможного просочившегося незначительного уровня гармоник с входных цепей.
При эксплуатации данного УКВ усилителя; – данную модель весьма перспективно и с успехом можно применять в условиях городской застройки при высокой плотности проживания населения ( многоквартирные дома) .
При этом приемо-передающие антенные системы могут быть как направленные ( волновой канал , квадраты и т.д. ) так и различные вертикальные излучатели.
В этом случае уровень помех бытовой аппаратуре от вашего усилителя мощности на УКВ будет нулевым, либо весьма незначителен даже при применении относительно весьма простых переносных трансиверов.
Данный усилитель мощности собран по двухтактной схеме и выдает наилучшие результаты при работе на высокочастотном двух метровом диапазоне при применении высокочастотных радиоламп с выводами анодов с верху .
Что в большей степени гарантирует работу усилителя без самовозбуждения на рабочей частоте высокочастотного диапазона.
При настройке УКВ усилителя мощности весьма важно обеспечить электрическую симметрию обоих плеч входного и выходного элемента.
При отсутствии в симметрии плеч , – однозначно отрицательно скажется на суммарной выходной мощности и перегрузке одного из тетродов радиолампы.
Для соблюдения необходимой симметрии в радиосхеме используются сдвоенные диференцированные конденсаторы переменной емкости с воздушным диэлектриком .
При этом изменение емкости обоих конденсаторов должно быть при настройке одновременным и одинаковым.
При применении обычных конденсаторов создается некоторая трудность с настройкой колебательных контуров по входу и по выходному каскаду .
Так как приходится более точно и поочередно выставлять значение емкостей путем подбора.
В данной принципиальной схеме усилителя анодный контур подключенный к анодам радиолампы имеет две симметричные половины катушки L 3 .
Исходя из этого следует учитывать что при не совпадении пика резонанса настройки дифиринцированным конденсатором переменной емкости для получения максимальных показаний ( как и в сеточных цепях L 2 ) следует подобрать индуктивно-емкостную составляющую каждой из половин катушки L 3 .
Для этого следует либо сжимать либо несколько увеличивать шаговое расстояние между витками катушки как L 3 , так и при необходимости L 2 , для получения индентичности настроек обоих половинок катушек находящихся в анодно – сеточных цепях при настройке диференцированным конденсатором переменной емкости.
Обычно такое явление происходит при применении диаметром более тонкого провода чем указано в данном материале.
При настройке усилителя мощности следует не забывать , – что «перекачка « В.Ч. сигнала по управляющим сеткам радиолампы ( при этом возникает сеточный ток ) что однозначно приведет к возрастанию уровня нелинейных искажений в сигнале , при этом падает коэффициент усиления и расширяется полоса SSB сигнала.
В связи с этим следует контролировать ток обоих управляющих сеток тетрода применяемой радиолампы по находящейся в данной цепи прибору.
Так при полной настройке У.М. и при применении радиолампы QQV-06\40 радиолампа легко раскачивается до тока в 260 ма при входном уровне В.Ч. сигнала от 3 х до 5 ватт в зависимости от индивидуальных характеристики применяемого тетрода .
Ток покоя при этом в режиме SSB в зависимости от радиолампы может составлять от 10 до 20 миллиампер.
Тем не менее при проведении повседневной работы анодный ток радиолампы не имеет особой необходимости поднимать до максимально – критической величины, не перегружая входные сеточные цепи радиолампы и значительно завышенного при этом напряжения анодного питания.
При правильной настройке У.М. на эквивалент либо на реальную антенну ток в анодах тетрода радиолампы должен несколько уменьшаться ( проседать ) , что будет свидетельствовать о настройке усилителя на рабочую частоту с активной нагрузкой.
При возникновении необходимости для дополнительного согласования и фильтрации гармоник возможно использование на выходе В.Ч. усилителя мощности настроенного « П « контура – фильтра с применением конденсаторов с воздушным диэлектриком для получения высокой добротности узла САУ на рабочие частоты 2 х метрового диапазона.
При этом « П» контур желательно выполнить отдельным блоком соединенный коаксиальным 50 омным кабелем с выходным каскадом усилителя мощности, либо расположив его в блоке У.М. , но отделив его экранной перегородкой от основного блока выходного каскада.
Все это позволит увеличить степень согласования усилителя мощности с антенно-фидерной системой и к тому же повышенной фильтрацией возможных имеющихся гармоник на выходе усилителя мощности.
Данный усилитель мощности при желании радиолюбителей УКА вистов с некоторыми необходимыми при этом доработками ( изменения коснутся катушек индуктивности и некоторых емкостей ) прекрасно будет работать и на 10 метровом диапазоне .
Произведенное тестирование данного усилителя с необходимыми доработками на эквивалентную нагрузку на 6 метровом диапазоне так же показало прекрасные результаты его стабильной и надежной работы .
При открытии в Российской Федерации 6 метрового диапазона данный усилитель с успехом будет функционировать и на этом диапазоне который пользуется в настоящее время значительно большой популярностью у радиолюбителей в Европейских и Азиатских странах, при проведении радиосвязей с довольно простыми антенными системами и не большой мощностью ( менее 100 ватт) более чем за 2500 км.
P.S. В настоящее время у наших соседей в Республики Беларусь 6 метровый диапазон уже открыт и используется радиолюбителями с августа 2025 года.
Что касается перспективы введения в Р.Ф. 6 метрового диапазона ;-
таблицы распределения частот в Р.Ф. ( ТРПЧ-2026 ) будет согласовываться и утверждаться в 2026 году. ( Примерно в апреле)
По этому вопросу появилась информация :
Пункт 84 А. – В России полоса частот 50.080-50.280 мгц., распределена так же радиолюбительской службе на вторичной основе.
Возможность и условия использования этой полосы частот РЭС любительской службы определяются дополнительно с учетом ограничений Регламента радиосвязи на напряженность поля, которая может быть создана радиостанциями на границе Российской Федерации.
После утверждения в Правительстве Р.Ф. будет решение ГКРЧ о задействовании данных частот радиолюбительской службой.
Ждем открытия 6 метрового диапазона и у нас в России.

КОМПЛЕКТАЦИЯ УСИЛИТЕЛЯ МОЩНОСТИ
Катушка L 1. Диаметром 14 мм. Проводом ПСР 2.0 мм. И содержит 1,5 + 1,5 витка с отводом по середине.
Катушка L 2. Диаметром 14 мм. Проводом ПСР 2,0 мм, и содержит 2 + 2 витка
Катушка L 1 находится между двумя половинками катушки L 2/
Катушка L 3. Диаметром 32 мм, Проводом ПСР 3,5 мм и содержит 2 + 2 витка.
Катушка L 4. Диаметром 32 мм, Проводом ПСР 2,2 мм и содержит 2 – 3 витка во второпластовой трубке, и расположена так же как и катушка L 1.
Катушка L 5. U колено длинной 14 см. Диаметр провода ПСР 3,5 мм.
Применение медных трубок большего диаметра при изготовлении катушек не целесообразно , так как это приведет к расширению полосы пропускания и «размытому» резонансу на рабочих частотах .
Дроссели В.Ч. Др.1. диаметром 10 мм, проводом ПЭВ 0,8 – 1,0 мм , 20 витков., бескаркасная располагается вертикально в непосредственной близости от контура.
Дроссели В.Ч. Др 2,3. Диаметром 6 мм, на керамике проводом ПЭВ 0,33 . и содержит 20 витков.
Дроссели В.Ч. Др 4,5. Диаметром 8 мм на ферритовом изолированном стержне проводом 1,0 мм. Содержит 18 витков , намотка рядовая.
РЕЗИСТОРЫ
R 1. Резистор МЛТ 4,7 ком . 4 ватта. Подбор.
R 2. Шунтирующий резистор подбирается под головку прибора ( МА ) индивидуально. ( при необходимости ) .
R 3. Резистор переменный 1-2 ватта 750 ом. ( 1 ком.)
R 4. Резистор МЛТ 100 ом 1 – 2 ватта. Подбирают что бы ток стабилизации
Был не более 18-20 ма.
R 5. Шунтирующий резистор подбирается под головку прибора ( МА ) индивидуально. ( при необходимости ) .
R 6. Резистор МЛТ 0,5 ватт 330 ом.
R 7. Резистор подстроечный 3,3 ком.
R 8. Резистор МЛТ 300 ом 0,5 ватта .
R 9. Резистор МЛТ 5 ом 4 ватта. Два резистора по 10 ом параллельно .
КОНДЕНСАТОРЫ
С 1. 6800 пкф. На 500 вольт.
С 2, С 3. Сдвоенные 3\35 пкф. С воздушным диэлектриком.
С 4. 3300 пкф. На 1000 вольт.
С 5. 3\35 пкф.с воздушным диэлектриком.
С 6. С 7. Трубчатые ТКЕ М-47. 27 пкф.
С 8. С 9. Сдвоенный 3\35 пкф. С воздушным диэлектриком.
С 10. С 11. 2\25 пкф. С воздушным диэлектриком.
С 12. 3300 пкф.
С 13. 0,01 мкф.
С 14. 1, 2 пкф.
С 15. 6800 пкф.
С 16. 0,01 мкф.
С 17. 0,1 мкф.
С 18. 6800 пкф.
С 19. С 20. 3300 пкф.
С 21. 4700 пкф.х 1000 вольт.
С 22. 2\35 пкф.
С 23. 2\35 пкф.
СТАБИЛИТРОНЫ
D 1. D 2. D 3. Стабилитроны Д 817 В ( В П ) С подбором элементов так что бы напряжение на экранной сетке радиолампы составляло не более 230 – 250 вольт, в зависимости от типа применяемой радиолампы.
Учитывая при этом анодное напряжение на лампе.
D 4. Д 817 А. ( А П ) с подбором тока стабилизации резистором R 4.
Все стабилитроны установлены на радиаторах и изолированы от корпуса .
Следует напомнить радиолюбителям что стабилитроны обладают достаточно большим разбросом по напряжению и требуют соответствующего подбора для использования в схеме данного усилителя.
Возможно так же и смешанное применение стабилитронов не одной модели.
ДИОДЫ
D 5. КД 521, КД 522.
ИЗМЕРИТЕЛЬНЫЕ ПРИБОРЫ
А 1. Микроамперметр на 300 микроампер.
А 2. Миллиамперметр на 300 миллиампер.
А 3. Микроамперметр на 500 микроампер.
РАДИОЛАМПЫ
Л 1. Лучевые СВЧ двойные тетроды : ГУ – 32. ГУ- 18, ГУ – 19, QQV-06\40, ГУ – 29, ГИ – 30.
РЕЛЕ
Коммутационное реле подачи запирающего напряжения на радиолампу марки РЭС-9. РЭС – 49. РЭС – 60. Или любое другое с 12 вольтовым питанием.
Антенные коммутирующие реле любые отечественного или зарубежного производства высокочастотные.
Возможно так же ( как компромиссное решение ) использование и компактного малогабаритного реле марки TRA 2 L 12-VDC –S-Z (16 A 240 V )/ Так же с 12 вольтовым питанием.
КАБЕЛЬ
В качестве соединительных высокочастотных цепей используется обычный 50 омный кабель более менее подходящий для аккуратного монтажа в усилителе мощности.
P / S.
Данный усилитель показал себя не сложным в изготовлении и доступным в сборке и настройке и при этом не требующих особо дефицитных комплектующих радиоэлектронных компонентов .
Он так же стабильный по параметрам и надежный в работе в отличии от транзисторных- модульных усилителей мощности, которые очень критичны в настройке , а так же к перегрузкам по выходу и статическому потенциалу возникающего иногда на антенне .
Данный УКВ ламповый усилитель значительно продлит срок службы и увеличит наработку в часах выходного тракта вашего трансивера за счет всего лишь небольшой выходной мощности с него для раскачки основного усилителя мощности .
Все это будет способствовать значительному продлению и обеспечит вам очень долгую жизнь вашего УКВ трансивера.
Данный технический материал был подготовлен и размещен на сайте радиолюбителей Республики Мордовия по просьбе радиолюбителей не обладающих более солидными знаниями и опытом для изготовления более сложных конструкций мощных усилителей которые предназначенные в основном для повседневной работы через Луну и метеорные потоки.
Данный материал значительно поможет радиолюбителям как с малым опытом и техническими знаниями так и со средней квалификацией в конструкторской деятельности для приобретения более значительного опыта в разработке и сборке не сложных и в то же время надежных ламповых усилителей мощности на 2 х метровый радиолюбительский диапазон обладающих тем не менее весьма не плохими характеристиками.
г. Пенза ноябрь 2025 года.
