Получение звукового стереоэффекта в стационарных средствах радиосвязи.
Юрий Юкин RK4FX

Приведенная схема электронного устройства предназначена для получения при приеме радиолюбительских радиостанций стереофонического эффекта присутствия и значительного повышения при этом разборчивости самого сигнала ; – что в условиях достаточно больших шумовых , импульсных и прочих помех в эфире как на низкочастотных так и на высокочастотных диапазонах не часто, но тем не менее зачастую ощущается недостаточный уровень разборчивости.
В результате чего теряется частично или полностью передаваемая информация особенно это характерно для мобильных радиостанций применяемых в качестве базовых на стационарном объекте.
При этом работу оператора DX стационарной радиостанции или работу оператора с мобильного средства связи не всегда удается правильно принять из за не совсем отчетливого сигнала в условиях помех , либо на значительном удалении или значительного влияния прохождения сигнала в тропосфере на качество связи. Сказывается и усталость оператора в этой связи при приеме корреспондента с большим уровнем шума в приемном сигнале .
В этом случае незаменимым помощником в радиосвязи будет являться данная схема.
Данную модель будет весьма неплохо использовать и при приеме радиовещательных станций как в FM так и в AM режимах.
Использовании данного устройства значительно повышается качество , разборчивость и «сочность» вещания передающей радиостанции.
Следует отметить что расстояние между «краями» динамиков должно составлять не менее 25 и не более 50 см для получения должного эффекта.
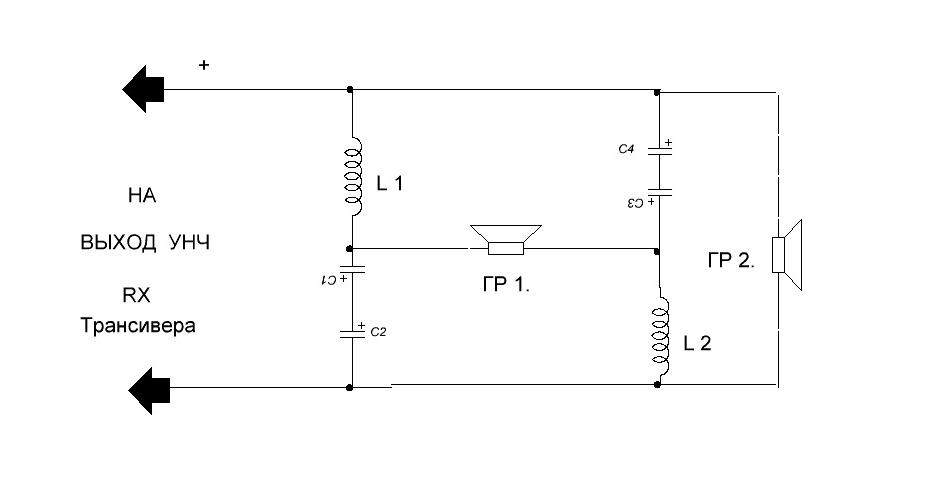
В данной схеме одна из головок динамика включена синфазно в области низких частот и противофазно в области высоких частот, для достижения соответствующего акустического эффекта звучания.
Второй динамик включен по обычной схеме.
При этом общая коррекция частот устройства составляет порядка 12 DB на октаву.
Электролитические конденсаторы включены таким образом , – что бы получить неполярное их включение и при этом с наличием большой емкости в цепи низкочастотного сигнала, что весьма необходимо в данной устройстве .
При этом создается ( при приеме радиостанций ) достаточно значительный стереоэффект повышающий качество звучания и значительно влияющий на разборчивость принимаемой речи или музыкальных произведений при применении устройства в FM приемнике в приходящем на динамики Н.Ч. сигнале.
ДЕТАЛИ
Конденсаторы
С 1,- С 4. Электролитические емкостью 100 мкф.х 25 вольт. ( 16 в. )
Катушки
L 1 – L 2 . Содержат по 255 витков. Провода ПЭВ 0,38- 0,41 мм. На каркасе диаметром 22 мм.
Намотку желательно использовать типа « Универсаль».
Динамики
3ГД 31, 5ГДВ1-8. Или другие. С сопротивлением катушки головки в 8 ом.
P. S. При применении динамиков с большим сопротивлением ( 16 ом – 28 ом. ) качество и частотная характеристика заметно улучшается .
Динамики монтируются в отдельных корпусах от небольших стереофонических колонок.
март 2026 года.
