Автоматическое зарядное устройство для зарядки аккумуляторных батарей большой емкости.
Юрий Юкин RK4FX
Автоматическое зарядное устройство для зарядки аккумуляторных батарей большой емкости начиная от менее чем 45 А\Ч, и до – 75 А\Ч и даже более.

Зарядное устройство собранно по классической схеме с применением силового трансформатора с раздельными обмотками.
Данный традиционный способ зарядки аккумуляторных батарей в отличии от импульсных зарядных устройств обеспечивает гораздо более улучшенный и устойчивый зарядный ток и способствует гораздо более полноценной зарядке аккумулятора.
В данном варианте с автоматическим отключением устройства при полноценном заряде аккумуляторной батареи. Даже в любом современном автомобиле не применяется импульсная схема подзарядки аккумулятора несмотря на то , что в настоящее время это не представляет собой особой технической сложности в изготовлении и установки тем не менее отдельные зарядные устройства выпускаются , но не всегда ( из практики ) они обеспечивают полноценный заряд АКБ .
Полноценность зарядки аккумуляторной батареи зависит от выбранного вами тока зарядки и надежности в работе контактов реле Re1. , которые со временем изнашиваются.
Следует отметить что зарядный ток следует устанавливать вне зависимости от емкости аккумулятора равному 1\10 емкости самой аккумуляторной батареи.
В этом случае аккумулятор получит полноценный заряд и способен прослужить вам довольно значительное время без потери своей емкости конечно при условии что состав электролита будет соответствовать требованию для данных аккумуляторов предусмотренных заводом-изготовителем.
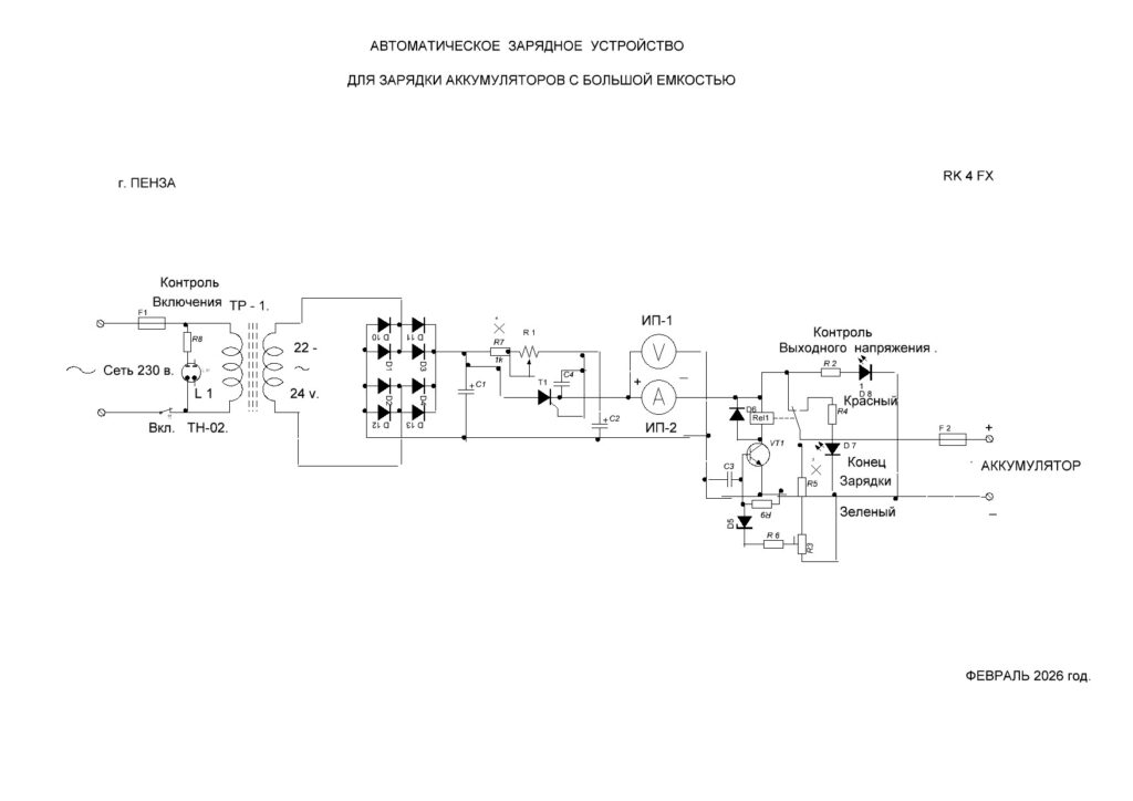
Принципиальная схема довольно проста в изготовлении и наладки .
Подача переменного напряжения 22 – 24 вольта на мостовой выпрямитель осуществляется от мощного силового трансформатора в котором первичная и тем более вторичная обмотки должны быть расчитаны на ток обеспечивающей полноценную зарядку аккумулятора без просадки напряжения на вторичной обмотке.
Первичная обмотка так же должна полностью обеспечивать полноценную нагрузку вторичной обмотки трансформатора по току и напряжению .
Нагрев обмоток и «железа» трансформатора более 40 градусов будет свидетельствовать об несоответствии данного трансформатора требованиям эксплуатации в данном устройстве.
На входе силового трансформатора установлен предохранитель на 5 А обеспечивающий защиту трансформатора на случай пробоя обмоток первичку на вторичку либо от короткого межвиткового замыкания.
Неоновая лампочка ТН-02 информирует вас о наличие сетевого напряжения на первичной обмотке трансформатора.
Отсутствие свечение данной лампы при включении зарядного устройства в сеть свидетельствует об отсутствии сетевого напряжения на трансформаторе и возможного выхода из строя сетевого предохранителя.
Переменное напряжение 22 – 24 вольта подается со вторичной обмотки силового трансформатора на мостовую схему выпрямителя собранного на диодах D 1- D 4 и D 10 – D 13.
Диоды в каждом плече работают в паре и попарно , что обеспечивает тем не менее хорошее выпремление тока и более облегченный режим их работы при значительно большой нагрузке выпрямителя несмотря на двух полупериудную мостовую схему и отсутствие средней точки как обычно принято в классических схемах.
Далее выпремленное напряжение подается на конденсатор емкостью 2000 мкф. на 50 вольт, который обеспечивает дополнительное сглаживание пульсаций напряжения поступающего от мостовой схемы выпрямителя.
В последующем напряжение поступает на мощный регулируемый по току и напряжению тиристор Т 1 обеспечивающий в полном объеме зарядный ток и напряжение которое поступает через амперметр и контакты реле и через предохранитель на клеммы аккумулятора.
Регулировка тока зарядки осуществляется посредством проволочного переменного резистора R 1 и ограничивающего его по току резистора R 7. Резистор R 7 выводится осью на лицевую панель зарядного устройства.
Для более улучшенной работы данного каскада в схему введены конденсаторы неполярный С 2 и полярный С 4.
Выходное напряжение и ток контролируется наличием амперметра и вольтметра со шкалой соответственно вольтметром до 30 вольт и амперметром со шкалой до 15 ампер.
Допускается применение электронных измерительных приборов как вольтметра, так и амперметра.
Далее необходимое напряжение для зарядки аккумулятора поступает через контакты реле и предохранитель непосредственно к источнику зарядки.
При этом наличие зарядного напряжения контролируется красным светодиодом D 8 .
По окончанию зарядки контролирующее электронное устройство собранное на транзисторе VT 1 переводит контакты реле из состояния «зарядки» в состояние «заряд окончен» при этом загорается зеленый светодиод D 7.
При отсутствии свечения светодиода D 8 ,- является признаком который информирует вас об полном отсутствии напряжения для зарядки аккумулятора.
Контролирующее устройство за зарядкой аккумулятора собрано на мощном биполярном транзисторе и его желательно устанавливать на отдельный радиатор исключая его перегрева особенно в летнее время, что может привести его к постепенной потере транзистором коэффициента усиления и при «0» он просто перестанет функционировать.
Цепочка на открытие и закрытие транзистора состоит из резисторов R 5 , R 6 , R 3 последний устанавливает уровень окончания зарядки аккумулятора .
Для более стабильной работы транзистора в цепь управления введен стабилитрон D 5 и конденсатор С 3. Напряжение на стабилитроне ( от типа ) 4,7 в.
Резисторы R 1 – R4 ограничивают ток на светодиоды .
На выходе зарядного устройства установлен предохранитель на случай замыкания пластин внутри аккумуляторной батареи и при этом резкого и чрезмерного возрастания тока зарядки ,а так же при замыкание клемм на подводящем к аккумулятору проводу .
Все диоды устанавливаются на радиаторы , при чем при таком их попарном совмещении площадь радиатора требуется гораздо меньше чем при использовании всего лишь 4 диодов так как нагрузка распределяется уже более равномерно на все диоды.
В качестве выпремительного моста возможно так же использование автомобильного мостового выпрямителя не применяя в этом случае диоды указанные в схеме.
Мощный теристор К – 122-25-6-4 должен так же устанавливаться на отдельный радиатор.
Настройка устройства сводится к подбору резисторов R 5 , R 6 и стабилитрона D 5.
Установка необходимого окончания тока зарядки в конечном итоге осуществляется резистором R 3 .
Сборка и настройка устройства не представляет собой особой сложности и под силу любому даже начинающему радиолюбителю и автолюбителю.
Самое главное что требуется от вас, это подобрать качественные радиоэлементы и правильно собрать и настроить данную схему.
ДЕТАЛИ
Трансформатор
Тр-1 Силовой трансформатор расчитанный на входное напряжение 220-230 вольт с отдельной понижающей вторичной обмоткой на напряжение 22 – 24 вольта с током вторичной обмотки не менее 8 ампер.
Диоды
D 1. 2, 3, 4 и D 10, 11, 12, D 13. Д 242 А или Д243 А или близкие к ним по характеристикам.
D 6 . КД 209.
D 7, D 8 Светодиоды АЛ 307 . Либо любые другие. Красный. Зеленый.
Стабилитроны
D 5. Стабилитрон КС 447 А или 1N4732. Либо любой другой подходящий по параметрам. Подбор под режим транзистора.
Тиристор
Т 1. Тиристор Т-122- 25 – 6 -4.
Конденсаторы
С 1. Электролитический 2000 мкф. на 50 вольт . любой походящих размеров.
С 2. Электролитический 100 мкф. х 25 вольт
С 3. Неполярный 2,2 мкф.
С 4. Неполярный 1 мкф .
Резисторы
R 1. 2 – 3 ком., х 5 ватт. Можно и более по мощности.
R 2. R 4. 390 ом. 05 ватта.
R 3 . 3,3 ком. Подстроечный для технологической настройки.
R 5 . 1 – 1,6 ком . 0 5 ватта. Подбор.
R 6 . 75 – 150 ом. 0 5 ватта . Подбор.
R 7. 1 – 1, 5 ком. 2 ватта . МЛТ. ОМЛТ . ВС и т.д.
R 8 . 240 – 390 ком. R 9. 39 ком.
Транзисторы
VT 1 . КТ 805 с любой буквой или КТ 829.
Лампы
Л 1. Т Н – 02. Неоновая.
Предохранители
F 1. 5 ампер. F – 2 . 10 ампер.
Измерительные приборы
ИП – 1. Вольтметр 0 – 30 вольт.
ИП – 2 . Амперметр 0 – 15 ампер.
Реле
Re 1. Автомобильное любое с переключением контактов на 2 положения.
Тумблер
Любой расчитаный на напряжение 220 – 230 вольт. И током до 5 а. на контактах.
февраль 2026 года.
