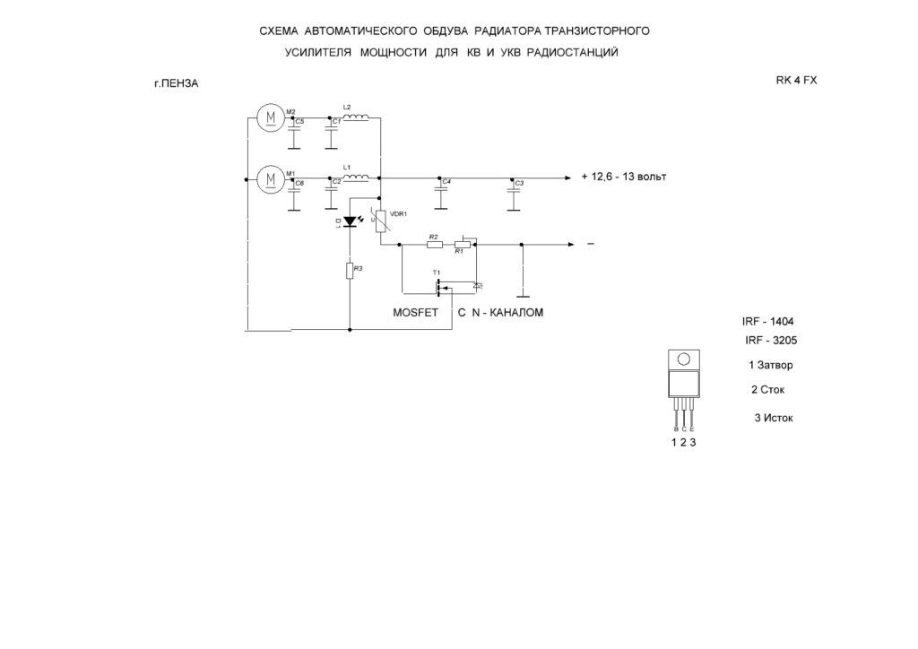
Автоматическое устройство обдува радиатора усилителя мощности.
Юрий Юкин RK4FX
Автоматическое устройства обдува радиатора усилителя мощности.

Данная принципиальная схема автоматического устройства обдува радиатора транзисторного усилителя мощности предназначена для использования как для КВ так и для УКВ усилителей .
Данная публикация технического материала предназначена для начинающих радиолюбителей , а так же для радиолюбителей со средней квалификацией.
Схема довольна проста в изготовлении , а так же не сложна с комплектующими элементами и в настройке.
Схема выполнена на полевом транзисторе ( мосфет ) достаточно большой мощности что позволяет его использовать практически с небольшим радиатором охлаждения ( в зависимости от мощности применяемых вентиляторов ).
Схема обдува на полевом транзисторе гораздо эффективнее работает в отличии от обычной схемы с применением биполярного транзистора.
Для биполярного транзистора характерно «подплывание» коллекторного тока самого транзистора что ведет его к неустойчивой работе .
Данная зависимость происходит от множества причин включая так же и температуру окружающей среды и температуру самого транзистора.
Полевым транзисторам это не характерно.
Они отличаются гораздо более четкой и стабильной работой .
Зачастую многие промышленные усилители мощности выпускаются с неплохими радиаторами охлаждения , но к большому сожалению большинство из них без принудительного охлаждения.
Так при длительной работе усилителя и зачастую на повышенной мощности радиатор У.М. достаточно быстро разогревается и особенно в летнее время при достаточно высокой температуре окружающей среды.
При таком использовании усилителя мощности выходные каскады как правило начинают перегреваться что ведет усилитель к частичному сбрасыванию мощности и в конечном итоге при повышенной нагрузке и перегреву при этом преждевременный износ активных элементов гарантированно увеличивается .
При использовании принудительного обдува У.М. восстанавливается температурный режим отдельных транзисторов, либо модульной сборки что весьма положительно отражается и на работе в целом усилителя и соответственно продлевает его наработку часов по эксплуатации .
В данной схеме применены компьютерные вентиляторы 12 вольт 032 А. , следует отметить что различные вентиляторы ( кулеры) при одинаковом напряжении питания в 12 вольт имеют различную потребляемую мощность с различным током потребления.
Вентиляторы с меньшим током потребления естественно имеют и меньшую мощность прокачки воздуха в кубометрах, что нужно учитывать при сборке устройства.
Подбор кулера зависит от выходной мощности самого усилителя .
Так в данной схеме установлены два кулера обеспечивающие охлаждение радиатора усилителя с выходной мощность более 200 ватт.
Для меньшего воспроизводимого шума от кулеров предпочтительней использовать кулеры не 9х9 см , а 12х12 см.
Данная замена заметно уберет фоновое внешнее шумовое значение и значительно повысит эффективность обдува.
Питающие кулеры цепи положительного напряжения развязаны по В.Ч. дросселями и конденсаторами.
Данные меры предприняты для того, что бы при работе на передачу У.М. В.Ч. не просачивалось по линии питания и не попадало на схемотехнику кулеров, так как все это приведет к сбрасыванию мощности и оборотов вращения ротора в самих вентиляторах.
Соответственно падает охлаждение радиатора усилителя мощности.
От температуры нагрева радиатора зависит и скорость вращения ротора в кулере.
Источником контроля за которым является терморезистор VDR 1 чем больше он нагревается от радиатора У.М. тем больше открывается полевой транзистор от поступающего на него напряжения и как следствие возрастает скорость вращения ротора кулера и соответственно обдув.
Начальную температуру ( плавно ) включения вентиляторов необходимо устанавливать многооборотистым ( только ) резистором R 1 .
Следует отметить что при температуре установленной вами в 40 градусов может включиться только один кулер , а затем по мере возрастания температуры и второй .
В этом случае светодиод будет информировать вас о уровне поступления напряжения на мотор.
Чем ярче будет световой поток от светодиода тем больше поступает на него напряжение.
Разность во времени в запуске обоих кулеров это нормальное явление так как одинаковые вентиляторы с одинаковым номинальным током отличаются друг от друга пусковым моментом.
Соотношение терморезистора к резистору ограничения и резистору точной подстройки должно иметь примерно соотношение 1 : 2, или 1 : 3, в зависимости от применяемого типа терморезистора.
Следует подбирать индивидуально резистор грубой подстройки.
Следует отметить что терморезистор должен плотно прилегать к радиатору усилителя мощности и в то же время электрически не соединяться с ним.
Для этого можно использовать различные варианты его крепления в том числе с использованием слюды посаженную на термопасту и пластмассовый прижим.
ДЕТАЛИ
ЭЛЕКТРОМОТОР
М 1, М 2 . Компьютерный кулер 12 вольт. х 0,32 ампера. Размером 9х9 см. Возможно использование и других вариантов кулеров по потребляемому току и размеру.
ТРАНЗИСТОР
Т 1. Полевой IRF – 1404 или IRF – 3205.
РЕЗИСТОРЫ
VDR – 1. Терморезистор серии ММТ 7,5 ком.
Возможно использование и другого номинала и марки , но при этом с общей подстройкой всей цепи резисторов.
R 2. 2,4 ком. Подбор. 05 ватта. Любого типа.
R 1. 1,5 ком. Многооборотистый Марки СП 5 – 1 В А.
R 3 . 470 ом. 05 ватта.
КОНДЕНСАТОРЫ
С 1, С 2, С 3 . 001 мкф.
С 4, С 5, С 6, 3000 пкф.
СВЕТОДИОД
D 1. АЛ – 307. Либо любой другой .
ДРОССЕЛИ
L 1. L 2 Дм-04. 100 – 150 мкгн.
февраль 2026 года .
